优势特点:THK-HSR45A各钢球列被设计成按接触角45°配置,因此无论何种姿势都可以使用用途广泛。实现了高耐磨损性和精度的长期维持,LM滑块、LM轨道、钢球也可采用不锈钢制造。
型号:HSR45A
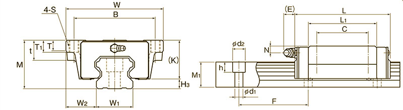
HSR45A滑块结构

THK-HSR45A特点
THK-HSR45A规格尺寸

单位:mm
|
公称型号 |
外形尺寸 |
LM滑块尺寸 |
H3
|
||||||||||||
|
HSR 45A |
高度 M |
宽度 W |
长度 L |
B |
C |
S |
L1 |
t |
T |
T1 |
K |
N |
E |
油嘴 |
|
|
60 |
120 |
139 |
100 |
80 |
M12 |
98 |
25 |
13 |
15 |
50 |
10 |
16 |
B-PT1/8 |
10 |
|
|
LM轨道尺寸 |
基本额定负荷 |
静态容许力矩 kN·m* |
质量 |
|||||||||||
|
宽度W1 ±0.05 |
W2 |
高度 M1 |
孔距 F |
d1×d2×h |
长度* Max |
C kN |
C0 kN |
MA
|
MB
|
MC |
LM滑块 kg |
LM轨道 kg/m |
||
|
单滑块 |
双滑块紧靠 |
单滑块 |
双滑块紧靠 |
单滑块 |
||||||||||
|
45 |
37.5 |
38 |
105 |
14×20×17 |
3090 |
60 |
95.6 |
1.42 |
7.92 |
1.42 |
7.92 |
1.83 |
2.8 |
11 |
THK-HSR系列型号说明

如何防止机床导轨爬行
机床导轨产生爬行的主要原因是静摩擦力与动摩擦力差值过大,传动系统刚度达不到要求,运动件的质量偏大,以及导轨面之间的阻尼性偏低等。那么,在设计和调整机床导轨时,可以采用减小动静摩擦差值、提高传动系统刚度等方法,避免爬行现象的发生。
主要解决方法包括:
使用加入了极压添加剂的导轨油,以滚动摩擦却带滑动摩擦,采用卸荷导轨、静压导轨及减摩导轨材料等。而提高传动系统刚度,可以通过缩短传动链、合理分配传动比、提高末端传动副或者是活塞及活塞杆的刚度来实现。
THK-HSR系列直线导轨型号
HSR 15A HSR 15AM HSR 20A HSR 20AM HSR 20LA HSR 20LAM
HSR 25AM HSR 25LA HSR 25LAM HSR 30A HSR 30AM HSR 30LA
HSR 30LAM HSR 35A HSR 35AM HSR 35LA HSR 35LAM HSR 45A
HSR 45LA HSR 55A HSR 25A HSR 55LA HSR 65A HSR 65LA
HSR 85A HSR 85LA














