优势特点:THK-DIN标准滚珠丝杆EPA2005,丝杆轴外径20mm,导程5mm,钢球直径20.75mm,THK滚珠丝杆有大钢球预压或无预压EB型及错位预压EP型就是这两种型号,螺母可跟根据用户需求,提供单切边和双切边和全圆法兰螺母。
型号:EPA2005
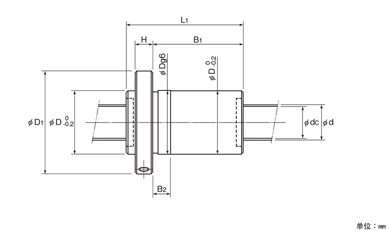
THK-DIN标准滚珠丝杆EPA2005,丝杆轴外径20mm,导程5mm,钢球直径20.75mm,THK滚珠丝杆有大钢球预压或无预压EB型及错位预压EP型就是这两种型号,螺母可跟根据用户需求,提供单切边和双切边和全圆法兰螺母。

|
公称型号 |
丝杠轴外径 d |
导程 Ph |
钢 球 中心直径 dp |
沟槽谷径 dC |
负荷圈数 列×圈数 |
基本额定载荷 |
刚性K N/mm |
|
|
Ca★ kN |
C0a kN |
|||||||
|
EBA2005-3 |
20 |
5 |
20.75 |
17.1 |
3×1 |
10.6 |
17.3 |
200 |

|
螺母尺寸 |
|||||||||||
|
外径 D |
法兰直径 D1 |
全长 L1 |
H |
B1 |
B2 |
法兰安装孔类型 |
PCD |
d1 |
润滑孔 A |
螺母质量 kg |
轴质量 kg/m |
|
36 |
58 |
50 |
10 |
35 |
12 |
1 |
47 |
6.6 |
M6×1 |
0.34 |
2.06 |
下一篇:没有了







