优势特点:THK-DIR型标准导程螺母作为错位予压螺母 在单个螺母的中央部 给左右两方的螺纹以相位差 使轴向间隙达到负值(予压状态)。与传统的双螺母型(2 个螺母之间插有调整片的方式)相比既小型又能获得平滑流畅的运动。



|
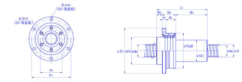
公称型号 |
丝杠轴外径
d |
沟槽谷径
dc |
导程
Ph |
钢球中心直径
dp |
基本额定负荷 |
刚性K
N/mm |
滚珠螺母尺寸 |
|||||
|
Ca kN |
C0a kN |
外径D |
法兰直径D1 |
全长L1 |
D3 h7 |
|||||||
|
DIR |
1605-6 |
16 |
13.2 |
5 |
16.75 |
7.4 |
13 |
310 |
48 |
64 |
79 |
36 |
|
DIR |
2005-6 |
20 |
17.2 |
5 |
20.75 |
8.5 |
17.3 |
310 |
56 |
72 |
80 |
43.5 |
|
DIR |
2505-6 |
25 |
22.2 |
5 |
25.75 |
9.7 |
22.6 |
490 |
66 |
86 |
88 |
52 |
|
DIR |
2510-4 |
21.6 |
10 |
26 |
9 |
18 |
330 |
66 |
86 |
106 |
52 |
|
|
DIR |
3205-6 |
32 |
29.2 |
5 |
32.75 |
11.1 |
30.2 |
620 |
78 |
103 |
86 |
63 |
|
DIR |
3206-6 |
28.4 |
6 |
33 |
14.9 |
37.1 |
630 |
78 |
103 |
97 |
63 |
|
|
DIR |
3210-6 |
26.4 |
10 |
33.75 |
25.7 |
52.2 |
600 |
78 |
103 |
131 |
63 |
|
|
DIR |
3610-6 |
36 |
30.5 |
10 |
37.75 |
28.8 |
63.8 |
710 |
92 |
122 |
151 |
72 |
|
DIR |
4010-6 |
40 |
34.7 |
10 |
41.75 |
29.8 |
69.3 |
750 |
100 |
130 |
142 |
79.5 |
|
DIR |
4012-6 |
34.4 |
12 |
41.75 |
30.6 |
72.3 |
790 |
100 |
130 |
167 |
79.5 |
|
|
滚珠丝杠尺寸 |
支撑轴承 基本额定负荷 |
螺母惯性力矩
kg·cm2 |
螺母质量
kg |
轴质量
kg/m |
||||||||||||
|
|
D2 |
B5 |
B4 |
B3 |
P1 |
P2 |
H |
B1 |
S |
t |
d1 |
|||||
|
Ca kN |
C0a kN |
|||||||||||||||
|
|
30 |
8 |
21 |
50 |
56 |
30 |
6 |
15 |
M4 |
6 |
4.5 |
8.7 |
10.5 |
0.61 |
0.49 |
1.24 |
|
|
34 |
9 |
21 |
50 |
64 |
36 |
6 |
15 |
M5 |
8 |
4.5 |
9.7 |
13.4 |
1.18 |
0.68 |
2.05 |
|
|
40 |
13 |
25 |
50 |
75 |
43 |
7 |
18 |
M6 |
10 |
5.5 |
12.7 |
18.2 |
2.65 |
1.07 |
3.34 |
|
|
40 |
11 |
25 |
70 |
75 |
43 |
7 |
18 |
M6 |
10 |
5.5 |
12.7 |
18.2 |
2.84 |
1.16 |
3.52 |
|
|
46 |
11 |
25 |
50 |
89 |
53 |
8 |
17 |
M6 |
10 |
6.6 |
13.6 |
22.3 |
5.1 |
1.39 |
5.67 |
|
|
48 |
11 |
25 |
61 |
89 |
53 |
8 |
17 |
M6 |
10 |
6.6 |
13.6 |
22.3 |
5.68 |
1.54 |
5.47 |
|
|
54 |
11 |
25 |
95 |
89 |
53 |
8 |
17 |
M6 |
10 |
6.6 |
13.6 |
22.3 |
8.13 |
2.16 |
4.98 |
|
|
58 |
14 |
33 |
104 |
105 |
61 |
10 |
23 |
M8 |
12 |
9 |
20.4 |
32.3 |
14.7 |
3.25 |
6.51 |
|
|
62 |
14 |
33 |
95 |
113 |
67 |
10 |
23 |
M8 |
12 |
9 |
21.5 |
36.8 |
20.6 |
3.55 |
8.22 |
|
|
62 |
14 |
33 |
120 |
113 |
67 |
10 |
23 |
M8 |
12 |
9 |
21.5 |
36.8 |
22.5 |
3.9 |
8.5 |

本公司长期供应THK直线导轨、滚珠丝杠、线性模组,还能按国内外客户要求进行来图加工,倾力解决客户的难题,为客户成功和增长提供帮,保证及时供应客户所需产品和配套的技术支持。
详情请咨询------东莞市格阳机电设备有限公司 TEL:0769-89974151/18824524163
上一篇:没有了







