优势特点:DIK 2504精密滚珠丝杆,丝杆直径25mm,导程4mm,此型号是在单个螺母的中央部 给左右两方的螺纹以相位差 使轴向间隙达到负值(予压状态)的滚珠丝杠既体积小又能获得平滑的运动。
型号:DIK 2504
THK 的精密滚珠丝杠 , 其经精密研磨加工的丝杠轴和螺母种类丰富,已经标准化,从而能根据不同用途来选择最合适的产品。您可以从各种螺母类型和丝杠轴导程的组合中,选择符合使用条件的轴径和导程的组合。
THK精密滚珠丝杠螺母类型
包括回流管螺母(代表了系列中种类最为丰富的类型)、紧凑型单螺母和大导程端盖螺母。
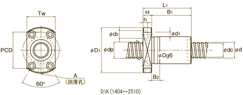
DIK 2504规格尺寸图表
单位:mm
|
丝杠轴外径 d |
导程 Ph |
公称型号 |
钢 球 中心直径 dp |
沟槽谷径 dc |
负荷圈数 列×圈 |
基本额定负荷 |
刚性K N/mm |
|
|
Ca kN |
C0a kN |
|||||||
|
25 |
4 |
DIK 2504-6 |
25.5 |
22.8 |
3×1 |
5.7 |
15 |
470 |
|
DIK 2504-8 |
25.5 |
22.8 |
4×1 |
7.4 |
19.9 |
620 |
||
|
螺母尺寸 |
丝杠轴的惯性力矩/mm kg·cm2/mm |
螺母质量 kg |
轴质量 kg/m |
|||||||||
|
外径 D |
法兰直径 D1 |
全长 L1 |
H |
B1 |
B2 |
PCD |
d1×d2×h |
Tw |
润滑孔 A |
|||
|
38 |
63 |
63 |
11 |
52 |
15 |
51 |
5.5×9.5×5.5 |
39 |
M6 |
3.01×10-3 |
0.43 |
3.5 |
|
38 |
63 |
71 |
11 |
60 |
15 |
51 |
5.5×9.5×5.5 |
39 |
M6 |
3.01×10-3 |
0.47 |
3.5 |
滚珠丝杠副的优点
滚珠丝杠副的丝杠、螺母和滚珠都经过淬硬处理, 而且滚动摩擦产生的磨损极小, 故丝杠副经长期使用仍能保持其精度, 工作寿命很长, 这是滑动螺旋副无法比拟的。一般说来,滚珠丝杠副寿命比滑动螺旋副高5 ~6 倍, 而在某些使用场合下可高达10 倍左右。使用寿命长这一优点, 可相对地弥补滚珠丝杠传动制造成本较高的不足。在加工中心、复合加工机床等数控机床设计中采用滚珠丝杠副组合直线导轨副的进给系统非常普遍。
THK-DIK系列滚珠丝杆型号
DIK 1404-4 DIK 1404-6 DIK 1605-6 DIK 2004-6 DIK 2004-8 DIK 2005-6 DIK 2006-6 DIK 2008-4 DIK 2504-6
DIK 2504-8 DIK 2505-6 DIK 2506-4 DIK 2506-6 DIK 2508-4 DIK 2508-6 DIK 2510-4 DIK 2805-6 DIK 2805-8
DIK 2810-4 DIK 3204-6 DIK 3204-8 DIK 3204-10 DIK 3205-6 DIK 3205-8 DIK 3206-6 DIK 3206-8 DIK 3210-6
DIK 3212-4 DIK 3610-6 DIK 3610-8 DIK 3610-10 DIK 4010-6 DIK 4010-8 DIK 4012-6 DIK 4012-8 DIK 4016-4
DIK 5010-6 DIK 5010-8 DIK 5010-10 DIK 5012-6 DIK 5012-8 DIK 5016-4 DIK 5016-6 DIK 6310-8
DIK 6312-6 DIK 6312-8
上一篇:没有了







