优势特点:BNF1604V-5外循环滚珠丝杆螺母沟槽直径13.8mm,是单个螺母的最简单型号可利用法兰上的螺栓孔进行装配,螺母法兰安装孔间距47mm。BNF-V与以往的BNF型相比,提高了DN值。小直径的型号可达10万DN指,一般直径的型号可达13万DN值。
型号:BNF1604V-5
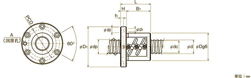
BNF1604V-5规格尺寸表

|
公称型号 |
丝杠轴 外 径 d |
导程 Ph |
钢 球 中心直径 dp |
沟槽谷径 dc |
负荷圈数 列×圈 |
基本额定载荷 |
刚性K N/mm |
|
|
Ca kN |
C0a kN |
|||||||
|
BNF1604V-5 |
16 |
4 |
16.5 |
13.8 |
2×2.5 |
7.8 |
17.4 |
290 |
|
螺母尺寸 |
丝杠轴的惯性力矩/mm kg•m2/mm |
螺母质量 kg |
轴质量 kg/m |
|||||||
|
外径 D |
法兰直径 D1 |
全长 L1 |
H |
B1 |
PCD |
d1×d2×h |
润滑孔 A |
|||
|
36 |
59 |
53 |
11 |
42 |
47 |
5.5×9.5×5.5 |
M6 |
5.05×10-8 |
0.42 |
1.42 |
THK精密滚珠丝杆精度
|
|
精密滚珠丝杠 |
轧制滚珠丝杠 |
||||||
|
精度等级 |
C0 |
C1 |
C2 |
C3 |
C5 |
C7 |
C8 |
C10 |
THK-BNF-V系列精密滚珠丝杆应用机械
射束焊接机械、装订机械、自动包装机、一般工业机械的 XY 轴、自动门窗加工机、銲接机、熔断机、工具交换装置、各种材料供给装置、磨床工作台进给轴、自动涂装机、工业用机器人、 NC 车床、一般工业机械的 Z 轴、印刷线路板的打孔机、电火花加工厂、测定器、精密 XY 平台、机械加工中心、 NC 车床、磨床的砂轮进给轴、铣床、立式或横式镗床、刀具导向部、工作机械的 Z 轴、各种高速材料供给装置等自动机械设备。
BNF-V系列无预压型滚珠丝杆型号
上一篇:没有了







