优势特点:THK-SRG20LA通过使用滚柱持器而实现了低摩擦、平滑运动和可长期运行免维护。此外 为实现超高刚性使用了弹性变形小的滚柱作为滚动体并且滚柱的直径和长度均进行了最优化。
1.平滑的运作
2.高速运行
3.低噪音
THK-SRG导轨形式
精度规格
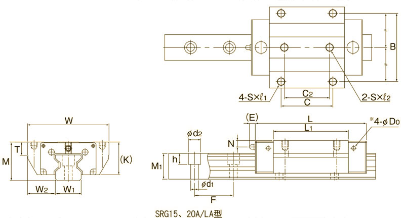
THK-SRG20LA尺寸数据

单位:mm
|
公称型号 |
外形尺寸 |
LM滑块尺寸 |
||||||||||||||||||
|
高度M |
宽度W |
长度L |
B |
C |
C2 |
S |
H |
l 1 |
l 2 |
L1 |
T |
T1 |
K |
N |
E |
e0 |
f0 |
D0 |
油嘴 |
|
|
SRG 20A SRG 20LA |
30 |
63 |
86 106 |
53 |
40 |
35 |
M6 |
— |
10 |
9 |
58 78 |
10 |
— |
25.4 |
5 |
4.5 |
— |
— |
2.9 |
PB107 |
|
H3 |
LM轨道尺寸 |
基本额定 负荷 |
静态容许力矩 kN·m* |
质量 |
|||||||||||
|
宽度 W1 0 -0.05 |
W2 |
高度 M1 |
孔距 F |
d1×d2×h |
长度* Max |
C kN |
C0 kN |
MA
|
MB
|
MC |
LM 滑块 kg |
LM 轨道 kg/m |
|||
|
单滑块 |
双滑块紧靠 |
单滑块 |
双滑块紧靠 |
单滑块 |
|||||||||||
|
4.6 |
20 |
21.5 |
20 |
30 |
6×9.5×8.5 |
3000 |
21 26.7 |
46.9 63.8 |
0.48 0.88 |
— |
0.48 0.88 |
— |
0.58 0.79 |
0.42 0.57 |
2.58 |
THK直线导轨安装注意事项
①滑轨、滑块装配前须做防锈处理,滑轨表面不得有滑痕和打磨。
②滑轨、滑块装配时不得敲打,且装配面须平整。
③滑块装配时,滚珠不得掉落,滑轨须保证直线度和平面度;滑轨、滑块与装配面之交不得有间隙或垫垫片等。
④双导轨(或多条导轨)装配时,须保证滑块、滑轨在同一平面内或互相平行;滑轨、滑块与装配面之交不得有间隙或垫垫片等。
THK-SRG系列加长型法兰滑块型号









