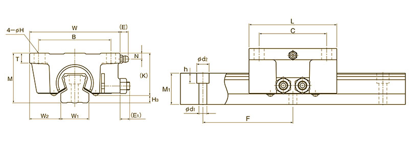
优势特点: 日本THK导轨NSR-TBC型在具有足够刚性的铸铁制外壳里装入圆周方向削除了120°的圆筒形花键母成为由2部分构成的结构。因此外壳与圆筒的配合面能自动调心可应用在粗糙的设备安装面上使用。需要注意的是:虽然导轨滑块可以承受来自上下左右四个方向的负荷。但是因为滑块是自动调心形式用单轴就不能承受旋转力矩(MC)。所以在选型的时候需要特别注意这一点。
型号:NSR20TBC
结构图:
	

| 
 公称型号 | 外形尺寸 | LM外壳尺寸 | 
 H3 | ||||||||||
| 高度 M | 宽度 W | 长度 L | B | C | H | T | K | N | E | E1 | 油嘴 | ||
| NSR20TBC | 40 | 70 | 67 | 55 | 50 | 6.6 | 8 | 34.5 | 5.5 | 8.5 | 7 | A-M6F | 5.5 | 
| LM轨道尺寸 | 基本额定负荷 | 静态容许力矩 kN·m* | 质量 | ||||||||
| 宽度W1 ±0.05 | W2 | 高度 M1 | 孔距 F | d1×d2×h | 长度* Max | C kN | C0 kN | MA | MB | LM滑块 kg | LM轨道 kg/m | 
| 双滑块 紧靠 | 双滑块 紧靠 | ||||||||||
| 23 | 23.5 | 23 | 60 | 6×9.5×8.5 | 2200 | 9.14 | 18.6 | 0.31 | 0.27 | 0.62 | 3.1 | 
NSR-TBC系列直线导轨型号
NSR20TBC NSR25TBC NSR30TBC NSR40TBC NSR50TBC NSR70TBC
上一篇:日本THK直线LM滚动导轨NSR-TBC系列直线滚动导轨
下一篇:没有了








