优势特点:当机床装配NR45LA直线导轨时,非切削运行时导轨像平常一样轻快地运动,机床切削工件时由于NR45LA滚动导轨承受切削负荷 钢球与滚动面之间的接触面积增大 滚动运动与滑动运动混和在一起 成为恰当的滚动滑动运动。
型号:NR45LA
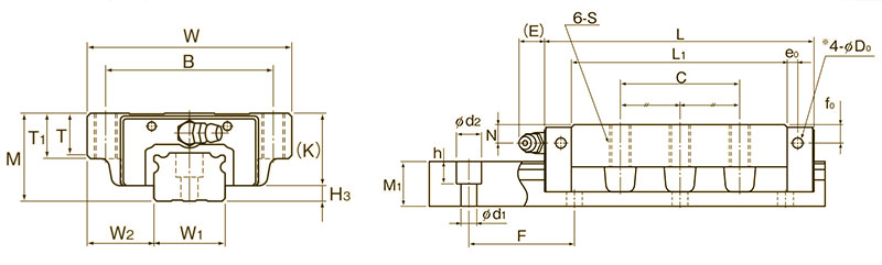
THK-NR45LA尺寸
	
单位∶mm
| 
 公称型号 | 外形尺寸 | LM滑块尺寸 | 
 H3 | ||||||||||||||
| 高度 M | 宽度 W | 长度 L | B | C | S×l | L1 | T | T1 | K | N | f0 | E | e0 | D0 | 油嘴 | ||
| NR45LA | 52 | 120 | 171 | 100 | 80 | M12×22 | 137 | 20.5 | 22 | 40.5 | 10 | 8 | 16 | 7 | 5.2 | B-PT1/8 | 11.5 | 
| LM轨道尺寸 | 基本额定 负荷 | 静态容许力矩 kN·m* | 质量 | |||||||||||
| 宽度W1 0 -0.05 | W2 | 高度 M1 | 孔距 F | d1×d2×h | 长度* Max | C kN | C0 kN | MA | MB | MC | LM滑块 kg | LM轨道 kg/m | ||
| 单滑块 | 双滑块紧靠 | 单滑块 | 双滑块紧靠 | 单滑块 | ||||||||||
| 45 | 37.5 | 29 | 105 | 14×20×17 | 3000 | 96 126 | 231 303 | 3.37 5.93 | 17.7 28 | 2.07 3.59 | 10.8 16.9 | 4.45 5.82 | 2.7 3.5 | 9.8 | 
THK-NR45LA机床导轨使得负载平台能沿着滑轨轻易的以高精度作线性运动,其摩擦系数可降至传统滑动导引的1/50,使之能轻易地达到μm级的定位精度。滑块与滑轨间的末制单元设计,使得线形滑轨可同时承受上下左右等各方向的负荷,专利的回流系统及精简化的结构设计让线性滑轨有更平顺且低噪音的运动。thk直线导轨为四列式单圆弧牙型接触线性滑轨,同时整合最佳化结构设计之超重负荷精密线性滑轨,比其他同类型之四列式线性滑轨提升30%以上之负荷与刚性能力;具备四方向等负载特色,及自动调心功能,可吸收安装面的装配误差,得到高精度的诉求。
	
	THK-NR45LA直线导轨特点:
	1、容许负荷大
	2、所有方向皆具备有高刚性
	3、润滑构造简单
	4、自动调心能力
	5、具有互换性
下一篇:没有了









